Sinco-Guide Felt & Wire Guide
The Sinclair Sinco-Guide (roll guide) supports the paper machine roll bearing, and is used to guide and track paper machine wires, fabrics and felts.

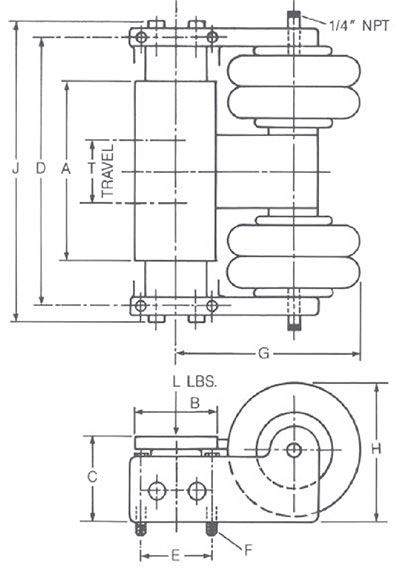
Sinco-Guide Overall View

AUTOMATIC HORIZONTAL GUIDE

AUTOMATIC HORIZONTAL GUIDE

AUTOMATIC VERTICAL GUIDE

AUTOMATIC / MANUAL COMBINATION
DESIGN ADVANTAGES
- Robust design for the paper machine harsh environment
- Smooth low friction system
- Direct acting positioning control provides fast and precise response
- Minimal maintenance
- Even load distribution
- Easy parts replacement
DESIGN COMPONENTS
- Stainless steel side plates and carriage
- Linear shafts and anti-friction bearings are factory greased before assembling the air and dust tight bellows protectors
- Frictionless diaphragm air actuators
- Pneumatic Sinco-Guide Controller (SGC) in stainless steel housing provides precision , automatic and continuous roll balance compensation
- Stainless steel arm and palm
- Stainless steel controller with adjustable mount
- Controller air set includes a filter, standard regulator and high precision regulator
DESIGN CONFIGURATIONS
- Automatic Horizontal — Mounts Horizontally, Most Common configuration, as shown in table
- Automatic Vertical — Mounted Vertically
- Manual — Manually Adjustable
- Automatic & Manual Combination — Manual Guide piggybacked to an Automatic Sinco-Guide
- Special Applications—Consult Sinclair for special requirements
See Sinco-Guide Application Data Sheet for required mill information for sizing and/or contact Sinclair International for assistance with Model Selection and Sizing.
Sizing considerations include:
- Horizontal or Vertical
- Full Roll Weight / Loading
- Temperature
- Fabric Speed / Tension
- Automatic or Manual
- Wrap Angles
AUTOMATIC HORIZONTAL SINCO-GUIDE


SINCO-GUIDE SGC CONTROLLER & COMPONENTS


